
- Vitesse de bouchage : 15-30 pièces/min
- Tension nominale : 110℃/60℃ (norme américaine)
- Puissance de la machine : 0,8 kW
- Ampère: 2,2 A
- Dimensions extérieures : 2230*1460*1600 MM (L*L*H)
- Pression d'air : 0,7 MPa
- Poids : environ 300 kg
Notification avant le démarrage de la machine de capsulage de bouteilles
1 : Avant de brancher la machine, assurez-vous que l'interrupteur d'alimentation est en état fermé, puis suivez les instructions.
2 : Si la machine ne fonctionne pas pendant une longue période, elle doit être essuyée avec un chiffon sec et ne doit pas être nettoyée avec un agent de nettoyage corrosif.
3 : Il est strictement interdit de projeter un quelconque liquide dans le boîtier électrique de la machine, afin d'éviter la corrosion des composants électriques internes et de provoquer un court-circuit.
4 : Vérifiez selon la liste d'emballage de l'équipement les modèles, les spécifications et la quantité de l'équipement et des matériaux pour vous assurer qu'ils répondent aux exigences de conception et aux normes du produit et sont accompagnés de certificats de conformité.
5 : Vérifiez l'apparence de l'équipement pour vous assurer qu'il est exempt de toute déformation, dommage et corrosion, et que toutes les broches doivent tourner de manière flexible sans aucun blocage.
6 : Cette machine fonctionne sous courant alternatif monophasé 110 V et la fiche d'alimentation plate à 3 broches doit être branchée sur la prise de courant avec un fil de terre.
Paramètres techniques

- Vitesse de bouchage : 15-30 pièces/min
- Tension nominale : 110℃/60℃ (norme américaine)
- Puissance de la machine : 0,8 kW
- Ampère: 2,2 A
- Dimensions extérieures : 2230*1460*1600 MM (L*L*H)
- Pression d'air : 0,7 MPa
- Poids : environ 300 kg
Machine de capsulage en détails :



Structures de la machine

Description de l'œil électrique à fibre optique
Oeil électrique pour détecter les bouteilles :

Lorsqu'il fonctionne en mode automatique, cet œil électrique a pour but de détecter les bouteilles entrantes.
Lorsque la bouteille entrante est détectée, le « plateau tournant » tourne.
Oeil électrique à paupière

Lorsqu'il fonctionne en mode automatique, cet œil électrique a pour fonction de détecter les couvertures entrantes.
Lorsque le couvercle entrant est détecté, le « mécanisme de retrait » se lève pour prendre le matériau.
Oeil électrique à paupière

Lorsqu'il fonctionne en mode automatique : Le but de cet œil électrique est de détecter les bouteilles entrantes.
Lorsque la bouteille entrante est détectée, le « mécanisme de verrouillage du capuchon » fait tourner le capuchon de verrouillage vers le bas.
Bouton de commutation et port de câblage
Écran tactile et arrêt d'urgence

Contrôleur du moteur d'alimentation et de la plaque vibrante du couvercle

Contrôleur de plaque vibrante

Contrôleur de plaque vibrante : En ajustant la tension, ajustez la vitesse de décharge.
Interrupteur et prises de courant

Contrôleur de moteur

Transformateur de fréquence : En réglant le bouton du transformateur de fréquence, ajustez la vitesse du moteur.
Méthode d'alarme et de dépannage :
1. Le bouton d'arrêt d'urgence a été enfoncé. Appuyez sur les boutons d'arrêt d'urgence situés sur le capot de la machine et à côté de l'écran tactile.
2. La sortie atteint la valeur définie. Réglez la sortie, appuyez sur le bouton d'effacement pour effacer la sortie actuelle.
3. Si les bouchons ne sont pas détectés pendant une longue période, veuillez vérifier. Vérifiez que la fibre d'induction du bouchon de la bouteille est bien fournie. Vérifiez si les bouchons sont en place ou non.
4. Si les bouteilles ne sont pas détectées pendant une longue période, veuillez vérifier si les bouteilles sont en place.
Réglage électrique des yeux :
Structure de l'amplificateur

Diagramme pour fibre optique :

1. Barre de verrouillage de fibre optique
2. Indicateur d'état de fonctionnement
3. Définir
4. Témoin lumineux DSC
5. Moniteur numérique
6. Bouton manuel
7. Couverture de protection étendue
8. Connecteur d'extension
9. Interrupteur sélecteur d'alimentation
10. Bouton de mode
11. Sélecteur de sortie
12. Câbles
13. Protecteur anti-poussière
14. Définir la valeur (en vert)
15. Valeur actuelle (en rouge)
Processus de travail pour le réglage de la fibre optique
- Lorsque l'œil électrique tombe dans l'espace, la valeur du courant rouge est de 144.
- Lorsque l'œil électrique tombe sur l'étiquette, la valeur du courant rouge est de 4.
- Ajustez la valeur définie", environ 1/2 de la valeur que l'œil électrique est sur le papier du corps (dans l'espace entre les objets à détecter) et la valeur que l'œil électrique est sur le papier, la valeur définie est (144 4)/2=74, ajustez le bouton manuel pour ajuster la valeur définie à 74.
- Déplacez l'espace entre les étiquettes d'avant en arrière dans l'emplacement de l'œil électrique et du « voyant lumineux/indicateur lumineux » rouge.
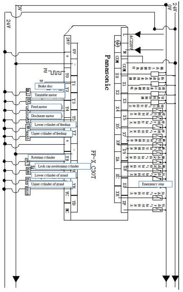
Schéma de circuit



Machine de capsulage de bouteilles d'entretien

1. Il est nécessaire de vérifier et d'entretenir la machine pour l'allonger et optimiser son fonctionnement ;
- La machine en fonctionnement doit être entretenue tous les trois mois ;
- La partie de transmission du roulement et de l'engrenage doit être lubrifiée avec de la graisse ;
- La lubrification doit être effectuée périodiquement ;
- L'huile pour glissière (N68) doit être ajoutée à la pièce comme au mécanisme alternatif ou au levage deux fois par jour ;
- L'huile automobile (N68) doit être ajoutée dans les pièces rotatives ou oscillantes ;
- Ajoutez de la graisse dans la fente de la came tous les quinze jours ;
- Chaque mois, une fois par mois, nettoyez la buse d'huile en ajoutant de la graisse ;
2. N'utilisez jamais d'outils métalliques pour frapper ou gratter la surface où la liaison est agglomérée sur les pièces comme les composants ou les moules.
3. Si la machine cesse de fonctionner pendant une longue période, ajoutez de la graisse pour lubrifier les pièces telles que la transmission ou le roulement. Traitez également la machine avec une protection imperméable.
4. Ne placez jamais aucun objet sur la machine afin de ne pas l'endommager.
5. Nettoyez régulièrement la poussière à l'intérieur des composants, vérifiez également toutes les vis et fixez toute vis desserrée.
6. Vérifiez les vis dans les bornes de câblage à un certain moment et assurez-vous que la vis est fixée ;
7. Vérifiez s'il y a des stations desserrées dans le chemin de câblage étiré des boîtiers électriques ; si la pièce est trop lâche, refixez la vis afin d'éviter l'abrasion ou l'endommagement de la couche isolante qui peut provoquer une fuite électrique.
8. Vérifiez les pièces facilement usées et remplacez celles qui sont endommagées à temps ;









