
- Têtes de capsulage : 2 pièces à entraînement servo-moto
- Tension : 220 V, 50/60 Hz ;
- Puissance : 3,0 kW
- Pression d'air : 0,5–0,7 Mpa
- Ampère: 8,5A
- Vitesse : 40-45/min (personnalisée en fonction des formes et des tailles des pots)
- Diamètre du produit approprié : couvercles φ28-φ125 mm (personnalisés non standard)
- Taux de réussite de la glande : ≥ 99,5 % (en fonction de l'erreur du couvercle et du flacon)
- Taille de la machine : 3300*1150mm*1908mm
- Poids : 450 kg
Avant de mettre la machine sous tension, veuillez lire attentivement ce manuel pour les questions de sécurité et l'utilisation correcte de la machine. Pour éviter les accidents du personnel et réduire la fréquence des dommages à la machine.
En cas de produits corrosifs, veiller à éviter que les objets corrosifs ne touchent ou n'éclaboussent la machine elle-même et le personnel.
- Évitez d’utiliser la machine dans des endroits sujets à des vibrations ou à des collisions.
- Lorsque la machine est en fonctionnement, le corps du personnel ne peut pas toucher les pièces mobiles.
- Il faut éviter de placer la machine dans des endroits trop humides. Branchez-la sur l'alimentation électrique et mettez le fil de terre correctement mis à la terre pour éviter tout accident.
- L'opérateur doit maintenir un état physique et mental normal. Si vous prenez de l'alcool, des somnifères ou d'autres drogues nuisibles à votre état mental, arrêtez d'utiliser la machine.
- L'opérateur doit porter des vêtements appropriés pour éviter les blessures causées par l'implication des vêtements dans les pièces roulantes et ne doit placer aucun objet étranger sur la machine.
- Si du bruit ou d'autres anomalies surviennent pendant l'utilisation, arrêtez immédiatement et vérifiez. Techniciens non ingénieurs, veuillez ne pas transférer arbitrairement des pièces de la machine.
- Entretien et soin réguliers (une fois par semaine), en évitant les éclaboussures d'eau ou de tout autre liquide et les boîtiers de commande électroniques ou autres composants électriques lors du nettoyage de la machine.
- Veuillez opérer conformément aux procédures d'utilisation normales et maintenir la surface de la machine propre et bien rangée.
La machine de capsulage est appliquée à toutes sortes de cosmétiques, de médicaments, de médecine vétérinaire, de pesticides, d'huiles lubrifiantes et d'autres domaines industriels dans le processus d'emballage.





Principe et caractéristiques de la capsuleuse de bocaux :
- Contrôle automatique électrique, il est stable ;
- Avec un dispositif de positionnement de bouchage, un couvercle verrouillé standard, l'opération est pratique ;
- Couvercle de verrouillage une large gamme, peut faire tourner diverses formes spécifications de capuchon ;
- La vitesse de capsulage, la prison de rotation, peuvent également simultanément selon les besoins ajuster la tension du rembobinage.


Paramètres de base de la machine de bouchage de pots cosmétiques :

1. Têtes de capsulage : 2 pièces à entraînement servo-moto
2. Tension : 220 V, 50/60 Hz ;
3. Puissance : 3,0 kW
4. Pression d'air : 0,5--0,7 Mpa
5. Ampère : 8,5 A
6. Vitesse : 40-45/min (personnalisée en fonction des formes et des tailles des pots)
7. Diamètre du produit approprié : couvercles φ28-φ125 mm (personnalisés non standard)
8. Taux de réussite de la glande : ≥ 99,5 % (en fonction de l'erreur du couvercle et de la bouteille)
9. Taille de la machine : 3300*1150mm*1908mm
10. Poids : 450 kg
Description de la partie hôte


Interrupteur d'alimentation : contrôle l'alimentation marche-arrêt.
Indicateur d'alimentation : sous tension - voyant vert allumé, hors tension - voyant vert éteint.
Arrêt d'urgence : Utilisé pour arrêter la machine immédiatement ou pour réinitialiser la fonction en cas d'urgence ou de défaut.
1. Démarrage photoélectrique : La machine est en fonctionnement, lorsque la détection photoélectrique détecte qu'il y a une bouteille et qu'elle a un couvercle, le plateau tournant peut commencer à fonctionner. Si l'un des deux photoélectriques n'est pas détecté, le plateau tournant ne tourne pas.
2. Origine photoélectrique : Il est utilisé pour contrôler le moteur pas à pas pour entraîner le positionnement du plateau tournant, afin que la bouteille puisse être insérée dans le couvercle en douceur.
3. Capuchon photoélectrique : Vérifiez si le couvercle est en place et détectez photoélectriquement qu'il y a un plateau tournant de couvercle à faire tourner.
4. Couverture photoélectrique : Contrôle du démarrage et de l'arrêt de la machine de couverture supérieure, lorsque la couverture fournie par la machine de couverture supérieure est triée vers la position détectée par le photoélectrique, la photoélectricité est toujours brillante, la machine de couverture s'arrête pour la couverture et la couverture intelligente est mise en œuvre.
5. Photoélectricité du couvercle de la serrure : Lorsque la bouteille avec le couvercle passe, la détection photoélectrique est détectée et le couvercle de verrouillage est actionné en fonction du temps de retard défini (les paramètres spécifiques sont ajustés en fonction de la vitesse de la bande transporteuse lorsque la machine est réglée).
6. Système de verrouillage du couvercle : La bouteille avec le couvercle est la même, le retard de démarrage photoélectrique, le retard de la bouteille de serrage du cylindre, le capuchon de verrouillage est abaissé, le couvercle de la poignée - le bouchon à vis - la libération de la pince - le capuchon de verrouillage se lève - la bouteille à pince est desserrée et le processus de capuchon de verrouillage est terminé. Dans le couvercle de verrouillage, lorsque le couvercle de verrouillage 1# est dans le couvercle de verrouillage, une autre bouteille entre. À ce moment, le cylindre de la bouteille de serrage 2# se déplace et le couvercle de verrouillage 2# est activé pour verrouiller le couvercle. (Lorsque le capuchon qui a été verrouillé par la tête de verrouillage 2# passe la bouteille à pince 1#, ne répétez pas le couvercle de verrouillage.

Description de l'interface homme-machine

Page de démarrage
3.1 La page de démarrage propose une sélection d'opérations en anglais et en chinois. Si vous choisissez le bouton chinois, entrez dans l'interface suivante :

Deuxième interface
Arrêt: L'interrupteur de démarrage de toute la machine, appuyez sur cette touche, la machine fonctionne en mode automatique, appuyez à nouveau sur cette touche, la machine s'arrête de fonctionner.
Porte d'essai : Tester le fonctionnement de la machine.
Vitesse du plateau tournant : Plus le paramètre de vitesse est grand, plus la vitesse est rapide, plus le paramètre de vitesse est lent. (Mais il y a une limite maximale.)
Délai de la platine : Réglages du temps de démarrage du plateau tournant, en fonction de l'effet de fonctionnement fluide du plateau tournant à définir.
Délai de plafonnement : Après le plateau tournant jusqu'à la station désignée, retardez le temps d'attente, le capuchon d'action du cylindre.
Délai de bouchage : Le temps nécessaire pour sceller le cylindre.
Sortir: Complétez l'enregistrement du nombre de couvercles de serrure, comptage pratique de la production. Appuyez sur la touche de réinitialisation pour effacer.
X1. X3. X14: Vérifiez si le photoélectrique est dans l'état de fonctionnement de la réflexion, il est facile de voir le fonctionnement de l'état de la machine,
Paramètre de plafonnement : Appuyez sur cette touche et entrez dans l'interface suivante :

L'interface est une page de paramètres à définir pour chaque action de la tête de verrouillage 1 # dans le système de couvercle de verrouillage servo, le réglage raisonnable des paramètres est bénéfique pour la stabilité de la machine et l'amélioration de l'efficacité.
Retour: Appuyez sur ce bouton pour revenir à la deuxième interface.
E/S : Appuyez sur ce bouton pour accéder à l’interface suivante :

Points de la série X : Le point d'entrée permet de détecter si le photoélectrique est en état de fonctionnement, de voir facilement le fonctionnement de la machine et de faciliter l'entretien.
Points de la série Y : C'est le point de sortie des composants exécutifs de l'état normal de rétroaction, vous pouvez également appuyer manuellement sur la touche de commande pour tester si les composants d'exécution sont normaux.
Système d'alimentation de bouchons : Peut être stable et ordonné selon la direction prescrite à couvrir.
Réglage de l'inclinaison : un angle raisonnable peut être ajusté pour contrôler que le couvercle inversé ne monte pas dans la glissière.
Régulation du convertisseur de fréquence : contrôler la vitesse de la couverture.


Entretien du matériel de bouchage de bocaux :
1. Maintenez la machine hors tension et sans gaz pour garantir la sécurité. Gardez la machine propre et bien rangée, sans objets divers, petits objets, accessoires, boulons, etc. sur la machine.
2. Et l'huile lubrifiante est régulièrement ajoutée sur le mécanisme de la partie mobile pour assurer un bon état de fonctionnement du mécanisme.
3. Vidangez régulièrement l'eau du filtre à air et ajoutez de l'huile de lubrification pour garantir une utilisation correcte du cylindre et prolonger sa durée de vie.
4. Vérifiez et réparez régulièrement la machine. Évaluez l'état de fonctionnement de l'équipement à l'œil nu et à l'oreille pour vous assurer que la machine fonctionne bien.
Note: Veuillez utiliser et entretenir l'appareil en stricte conformité avec les instructions. Pendant la période de garantie, il est strictement interdit d'ouvrir et de démonter l'appareil, sinon les dommages causés par celui-ci seront des dommages humains, aucune réparation gratuite n'est possible. Ces instructions sont susceptibles d'être modifiées sans préavis. Si vous avez encore des doutes sur le fonctionnement de cette machine, veuillez nous appeler à tout moment pour toute demande de renseignements.
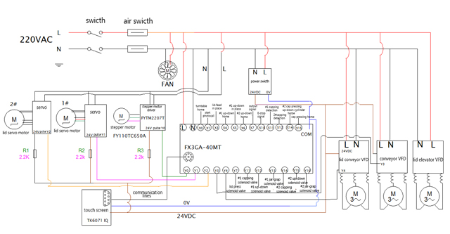
Schéma électrique ci-joint :

Échantillons de bouchons scellés finis sur la machine de bouchage de bocaux :





Notes : Pour les bocaux noirs carrés, les bouchons sont susceptibles d'être rayés. Il est conçu avec le système de ramassage pour retirer les bouchons des bocaux des plateaux et les placer dans la station de bouchage pour le processus de fermeture du bouchon. Le principe de fonctionnement détaillé est illustré comme suit : Processus de travail :
1. Mise en place manuelle des bouchons dans le plateau (15*15 ou 10*10)

2. Mise en place des plateaux dans la station de préparation des commandes
3. Des robots ramassent les bocaux

4. Positionnement des bouteilles et finition du bouchage
5. Sortie des bocaux bouchés











