
- Machine à laver les bouteilles en verre VK-BR
- Machine de remplissage d'huile VK-PF 4 têtes
- Machine de capsulage sous vide VK-VC
- Etiqueteuse de bouteilles rondes VK-RPL
La ligne de remplissage entièrement automatique peut être personnalisée en fonction des exigences du client et des échantillons proposés par l'acheteur. Ci-dessous sont répertoriées les informations de base pour cette ligne de remplissage entièrement automatique pour l'industrie alimentaire :
Machine de lavage à l'air pour bouteilles en verre Équipement de lavage sous vide
Il s'agit d'une machine à laver automatique de bouteilles par air. La capacité dépend des buses de lavage à air.
Le compresseur d'air transporte l'air à l'intérieur du récipient à vide, le gaz à travers l'électrovanne et le générateur d'ions a été purifié, le shampooing au gaz trachéal souffle le gaz dans les bouteilles à travers la bouche de lavage au gaz, souffle l'étranger hors de la bouche de lavage au gaz par la pression du gaz, renvoie les gaz résiduaires évacués trachéaux vers l'extérieur grâce au contrôle des émissions.

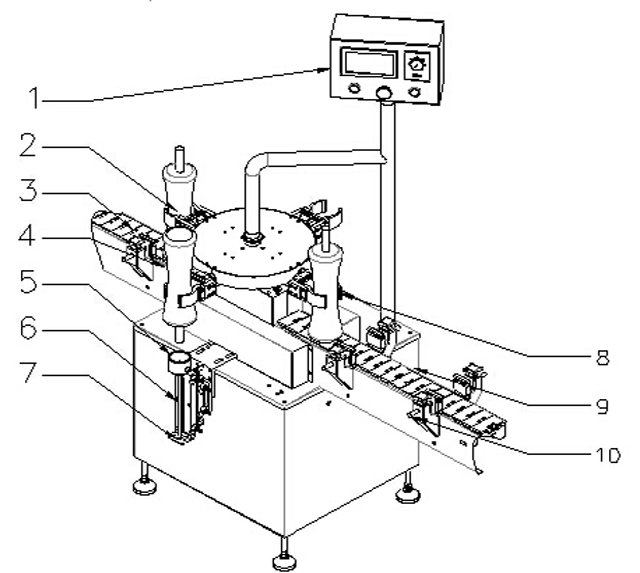
| 1 | Panneau de contrôle | 2 | Bouteilles |
| 3 | Ceinture pour biberons | 4 | Capteur pour biberons |
| 5 | structure de fixation des bouteilles | 6 | Jet de rinçage |
| 7 | Tuyère électrostatique | 8 | Point de fixation des bouteilles |
| 9 | Tapis pour sortie de bouteilles | 10 | Barre de guidage |
Paramètre de base de la machine à laver à air rotative automatique pour bouteilles en verre :

Modèle : VK-BR
Convient aux bouteilles : 20-1000 ml
Capacité de production : 8 buses de nettoyage : 3600~4800bph
Plage de pression d'air : 6~8kg/cm2
Consommation d'air: 25m3/h
Alimentation : 220V 50/60Hz
Consommation électrique : 0,75 kW
Bruit d'une seule machine : ≤ 70 dB
Air purifié : 0,2 μm
Temps de nettoyage : 3 à 5 s
Poids net : 350 kg
Dimensions hors tout : 1200 x 800 x 1600 mm
Machine de remplissage d'huile Remplisseuse linéaire à 4 têtes

La machine de remplissage d'olives à 4 têtes, contrôlée par le micro-ordinateur, combine la photoélectricité avec le fonctionnement pneumatique, elle est donc largement appliquée pour le remplissage liquide de produits chimiques agricoles, de solutions, de détergents liquides, de cosmétiques ainsi que d'olives.
Le volume de remplissage est précis, sans mousse et stable. La machine peut remplir le liquide dans une gamme de 25 à 1000 ml, sans aucune exigence particulière concernant la forme des bouteilles. C'est-à-dire qu'elle peut remplir le liquide pour les bouteilles normales ainsi que pour les bouteilles en forme d'irrugula.

Modèle : VK-PF
Plage de remplissage : 50 à 3000 ml
Vitesse de remplissage : <20-30b/m(pour 500-1000ml de liquide)
Précision : ±1%
Puissance/alimentation : 0,8 kW, 220 V
Pression de travail : 5 à 6 kg/cm3
Consommation d'air : 0,5-0,7 mpa
Poids net : 500 kg
Dimensions extérieures : 2000×800×1900mm
Marque: Les buses de remplissage peuvent être conçues et fabriquées selon les exigences des clients en matière de plage de remplissage et de vitesse de remplissage.
Machine de capsulage sous vide linéaire Équipement de capsulage de bocaux Vk-Vc :
Cette capsuleuse linéaire est étudiée et développée par notre société avec des années d'expérience, elle est unique au niveau national. Disposition automatique des bouchons intégrée avec couverture, bouchage sous vide.
Pompe à vide manuelle adoptée pour obtenir un vide élevé. Avec les fonctions sans bouteille ni couvercle, alarme lorsqu'aucun bouchon n'est disponible. Bénéficie d'une automatisation élevée. Les principales pièces pneumatiques et électriques proviennent de marques mondialement connues.
Avec des performances stables et fiables. Il est largement utilisé pour le bouchage sous vide des bocaux en verre avec des bouchons en fer dans les industries des aliments en conserve, des boissons, des assaisonnements, des produits de soins de santé, etc.

Puissance : ≤ 2,3 kW (pompe à vide incluse)
Capacité de production : 50-60 BPM
Diamètre du capuchon : ¢30-¢55 mm ¢50-¢85 mm
Hauteur de la bouteille : 80-250 mm
Diamètre de la bouteille : ¢30-¢85 mm
Vide max : -0,08mpa
Torsion de bouchage : 5-20 N.M
Consommation d'air : 0,6 M3/0,7 Mpa
Dimensions de la machine : environ 3000 × 1000 × 1900 mm
Poids : environ 850 kg
Machine d'étiquetage de bouteilles rondes et de pots Vk-Rpl

Application: Exiger la surface circonférentielle de la membrane attachée à l'étiquette ou au produit.
Industrie: Largement utilisé dans l'alimentation, la médecine, les cosmétiques, les cosmétiques, l'électronique, le métal, les plastiques et d'autres industries.
Application: Étiquetage de bouteilles rondes en PET, étiquetage de bouteilles en plastique, de conserves, etc.

Longueur d'étiquette appropriée (mm) : 20 mm ~ 314 mm
Largeur d'étiquette applicable (largeur du papier de support / mm) : 15 mm ~ 150 mm
Diamètre et hauteur des produits applicables (pour bouteille ronde) : diamètre : φ25mm ~ φ100mm
Hauteur : 25 mm ~ 230 mm
Diamètre de rouleau standard applicable (mm) : φ280mm
Diamètre de rouleau standard applicable (mm) : φ76mm
Précision d'étiquetage (mm) : ± 1 mm
Vitesse standard (m/min) : Servo : 5 ~ 25 m/min Pas à pas : 5 ~ 19 m/min
Vitesse d'étiquetage (pcs/min) : Pas à pas : 30 ~ 80 pcs/min (avec la taille de la bouteille et de l'étiquette)
Servomoteur : 40 à 120 pièces/min
Vitesse du convoyeur (m/min) : 5 ~ 25 m/min
Poids (kg) : Environ 185 kg
Fréquence (HZ) : 50 Hz Tension (V) : 220 V
Puissance (W) : 530 W (moteur pas à pas de traction) 980 W (servo de traction)
Dimensions de l'appareil (mm) (L × l × H) : 1950 mm × 1100 mm × 1300 mm


Emballage en caisse en bois :

Service après-vente pour ligne de remplissage

Nous garantissons la qualité des pièces principales dans un délai de 12 mois. Si les pièces principales tombent en panne sans facteurs artificiels dans un délai d'un an, nous vous les fournirons ou les entretiendrons gratuitement. Après un an, si vous devez changer des pièces, nous vous fournirons le meilleur prix ou les entretiendrons sur votre site. Chaque fois que vous avez des questions techniques concernant son utilisation, nous ferons de notre mieux pour vous aider.
Garantie de qualité :
Le fabricant garantit que les marchandises sont fabriquées avec les meilleurs matériaux du fabricant, avec une finition de première classe, neuves, non utilisées et correspondent à tous égards à la qualité, aux spécifications et aux performances stipulées dans le présent contrat. La période de garantie de qualité est de 12 mois à compter de la date de livraison.
Le fabricant réparera gratuitement les machines sous contrat pendant la période de garantie de qualité.
Si la panne peut être due à une mauvaise utilisation ou à d'autres raisons de la part de l'Acheteur, le fabricant collectera le coût des pièces de réparation.
Installation et débogage :
Le vendeur enverra ses ingénieurs pour donner des instructions sur l'installation et le débogage. Les frais seront à la charge de l'acheteur (billets d'avion aller-retour, frais d'hébergement dans le pays de l'acheteur). L'acheteur devra fournir son assistance sur site pour l'installation et le débogage.









